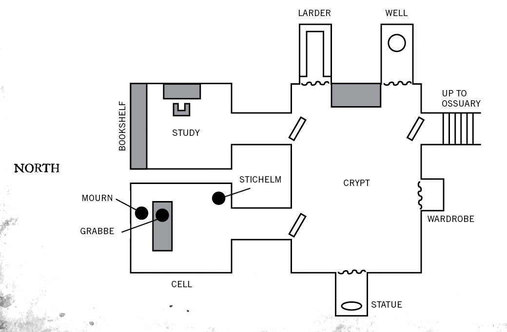
Here's my take on a simple map for the Time to Mourn final area, Grabbe's crypt. Comments and modifications welcome!

Here's my take on a simple map for the Time to Mourn final area, Grabbe's crypt. Comments and modifications welcome!

(Grab and save to see the whole image)
perfect ![]()
Very nice (have played past that myself but would have been useful).
Rob
For some reason I always saw the coffin going head towards Mourn and feet towards door.
I think thats because I see Mourn standing at the head of the coffin grabbing hold of the priests head to suck the life out of him...
Yeah, I initially had that, but then I thought I'd put in a little fightin' room!
Careful. This way, it's easy for the PCs to shoot Mourn with arrows and quickly end the encounter. That happened to me. In retrospect, I would have placed the coffin in such a way that line of sight would be blocked from the corridor, so the PCs would have to kill Stickhelm first and then Mourn, instead of firing arrows over Stickhelm.
i did not allow "easy" shooting over Stichhelm to hit Lazarus. I think i added a purple dice to the range attacks targeting him, because Olaus is still a massive obstacle in full plate in the doorway. I may even have added more (another misfortune or 2) because the coffin provides cover as it is not on the floor but on a stony thingy (Lazarus is behind it). Grabbe is not visible as he is inside the coffin. Players only see Lazarus' hands over it and a blackish energy coming from it while he drains. They did guess before seeing it was Grabbe inside ![]()
Someone suggested - and I thought it was a good idea - that Mourn has pulled Grabbe half out of the coffin, and thus using him as a 'human shield'. That should disssuade PCs from firing at him. He has to be in line of sight from the doorway, as the book says he talks to the PCs before Stichelm steps in the way.
Not sure why spells can happily be cast by him past Stichlem, but I guess spells can go both ways, but if the PCs fire missile weapons or spells, they might hit Grabbe.
Sorry, moved the file, it is now here:
I was a player the first time through this campaign, and my Roadwarden has a habit of walking into a room, pistol drawn, and using Thundering Shot to start negotiations. Stichelm walked in front of the doorway and denied any line of sight to Mourn as he spoke, because otherwise he would have been blasted mid-sentence. Suffer not the Witch to live.
Of course, this has turned into a theme with my Road Warden... he similarly smashed through the window into the room with the Goblin Shaman in the next chapter, pistol drawn, just to watch the Shaman scamper up the chimney. Son of a.
When I ran the Grabbe encounter, the group was a bit more timid about shooting first and asking questions later, so I used the human-shield approach, but with the coffin turned lengthwise toward the door, and Grabbe propped in a sitting position for maximum cover and visual effect, as mortification spread from Mourn's fingers as he drained the old Priest.